Выключатель дифференциальный (УЗО) Karat ВД3-63 2Р 40А 30мА 6кА тип AC IEK
Выключатели дифференциального тока без встроенной защиты от сверхтоков IEK типа ВД3-63 серии Karat предназначены для автоматического выключения питания при повреждении изоляции в однофазных и трехфазных электрических цепях переменного тока номинальным напряжением до 400 В частотой 50 Гц.
ВДТ не предназначены для отключения токов короткого замыкания и токов перегрузки.
Применяются для защиты человека от поражения электрическим током при случайном прикосновении к токоведущим частям.
Предотвращают возникновение пожаров вследствие протекания токов утечки на землю.
Выключатели электромеханического типа: не зависят от напряжения сети и не имеют собственного потребления электроэнергии.
Подходят для эксплуатации в жилых, общественных и промышленных объектах, на строительных площадках.
Устанавливаются в низковольтные комплектные устройства ввода и распределения со степенью защиты от пыли и влаги не ниже IP30.
Преимущества
- Электромеханическая схема без электронных компонентов.
- Условный ток короткого замыкания 6 кА.
- Независимый индикатор положения контактов.
- Насечки на контактных зажимах снижают тепловые потери и увеличивают механическую устойчивость соединения.
- Не имеет собственного потребления электроэнергии.
- Сохраняет работоспособность при обрыве нулевого проводника.
- Выдерживаемый момент затяжки винта вывода при помощи отвертки 4 Н*м.
- Широкий диапазон рабочих температур.
Размеры и вес
| Высота корпуса, мм | 82 |
| Ширина корпуса, мм | 36 |
| Глубина корпуса, мм | 74 |
| Вес изделия, г | 200 |
Технические характеристики
| Артикул | MDV20-2-040-030 |
| Тип изделия | выключатель дифференциального тока без встроенной защиты от сверхтоков |
| Тип устройства | электромеханический |
| Количество полюсов | 2P |
| Модульная ширина (шаг 18 мм) | 2 |
| Наличие селективной защиты | нет |
| Номинальное рабочее напряжение Ue, В | 230 |
| Номинальная частота сети, Гц | 50 / 60 |
| Номинальный ток In, А | 40 |
| Номинальный отключающий дифференциальный ток (уставка) I?n, мА | 30 |
| Номинальный неотключающий дифференциальный ток I?no, мА | 0,5 I?n |
| Минимальное значение номинальной наибольшей включающей и отключающей способности Inm, А | 10 In или 500 А (выбирается большее значение) |
| Минимальное значение номинальной наибольшей дифференциальной включающей и отключающей способности Inm, А | 10 In или 500 А (выбирается большее значение) |
| Номинальный условный ток короткого замыкания Inc, А | 6000 |
| Номинальный условный дифференциальный ток короткого замыкания I?c, А | 6000 |
| Тип рабочей характеристики по условиям функционирования при наличии составляющей постоянного тока | АС |
| Номинальное импульсное выдерживаемое напряжение, В | 6000 |
| Номинальное напряжение изоляции, В | 415 |
| Рабочий режим | продолжительный |
| Механическая износостойкость, не менее, циклов В-О | 10000 |
| Электрическая износостойкость, не менее, циклов В-О | 4000 |
| Способ крепления | на DIN-рейку 35 мм |
| Сторона подключения нагрузки | любая |
| Сечение присоединяемых проводников, кв.мм | 1,5 - 50 (жесткий кабель) / 1,5 - 35 (гибкий кабель) |
| Усилие затяжки винтов, Н*м | 2 |
| Диапазон рабочих температур, °C | -25... +45 |
| Относительная влажность воздуха при +20 °C, % | 90 |
| Степень защиты от пыли и влаги | IP20 |
| Срок службы, лет | 15 |
Внимание!
- ВДТ устанавливаются последовательно с автоматическим выключателем или плавким предохранителем для защиты от токов перегрузки и токов короткого замыкания.
- Номинальный ток ВДТ необходимо выбирать на ступень выше, чем номинальный ток впереди стоящего автоматического выключателя или плавкого предохранителя для обеспечения проведения ВДТ временных токов перегрузки.
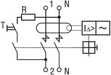
Схема электрическая принципиальная

Преимущества
- Доставка по всей России
- Более 200 000 товаров в ассортименте
- Профессиональная консультация
- Кабель БЕЗ опасности
- Качество по ГОСТу
|
Бренд
|
IEK |
|
СрокГарантии, мес
|
60 |
|
Количество полюсов
|
2 |
|
Модульная ширина (общее кол-во модульных расстояний)
|
2 |
|
Номинальное напряжение, В
|
230 |
|
Номинальная отключающая способность, кА (Устройство защитного отключения (УЗО)/выключатель дифференциального тока)
|
6 |
|
Номинальный ток утечки, мА
|
30 |
|
Номинальный ток, А
|
40 |
|
Частота, Гц
|
50 |
-
Зайдите на страницу товара и нажмите на кнопку «В корзину».
Далее можно продолжить покупки или перейти к оформлению заказа.
-
Перейдите в Корзину и нажмите «Перейти к оформлению».
Можно авторизоваться или оформить заказ без регистрации. Зарегистрированные пользователи могут:
- Отслеживать статус заказа
- Получать спецпредложения и промокоды на дополнительные скидки
- Укажите Ваши контакты: ФИО, телефон и e-mail.
- Выберите способ получения заказа (доставка или пункт самовывоза) и способ оплаты.
- Далее «Оформить заказ».
Готово: ваш заказ создан! По электронной почте или в личном кабинете Вы можете отслеживать статус заказа.
Теперь останется только ждать доставки и радоваться новой покупке!
Оплачивайте покупки удобным способом.
В нашем интернет-магазине доступно 3 варианта оплаты:
- Оплата наличными или картой при самовывозе в пункте выдачи заказов/магазине.
- Онлайн-оплата на сайте при оформлении заказа. Для совершения покупки система перенаправит вас на страницу платежного сервиса. Здесь необходимо заполнить форму по инструкции.
- Оплата по счету для юридических лиц. Оплата происходит после предоставления реквизитов для выставления счета. Покупатель получает счет на указанный e-mail.
Доступно 3 варианта доставки:
- Самовывоз из магазина. Список торговых точек для выбора появится в корзине. Для получения заказа обратитесь к сотруднику в кассовой зоне и назовите номер заказа.
- Доставка транспортной компанией СДЭК или Почтой РФ в отделение или постамат.
По всем возникающим вопросам можете позвонить нам на горячую линию:
Ежедневно с 8:00 до 20:00 по МСК
E-mail: help@kristall43.ru
Адрес: 610000, г. Киров, ул. Щорса, 68г, кабинет 3